ellie@jsbd.com
+86-519-88503010
Euskal
English
Монгол хэл
Gàidhlig
Hawaiian
Lëtzebuergesch
Español
Português
русский
français
日本語
Deutsch
Tiếng Việt
Italiano
Nederlands
ไทย
Polski
한국어
Svenska
magyar
Malay
বাংলা
Dansk
Suomi
हिन्दी
Pilipino
Türk
Gaeilge
عربى
Indonesia
norsk
اردو
čeština
Ελληνικά
Українська
Javanese
فارسی
தமிழ்
తెలుగు
नेपाली
Burmese
български
ລາວ
Latine
Қазақ
Euskal
Azərbaycan
slovenský
Lietuvos
Slovenski
Српски
Restore
Hasiera
Guri buruz
Gure Historia
Gure Fabrika
Produktuen Aplikazioa
Gure Ziurtagiria
Ekoizpen Ekipamendua
Ekoizpen Merkatua
Gure Zerbitzua
Produktuak
Presio handiko laminatua
Laminatu trinkoa
Kimikoen Erresistentzia Taula
Suaren aurkako taula
Berriak
Enpresaren Albisteak
Kolore bilduma
Deskargatu
Enpresaren Albisteak
Kolore bilduma
Kolore bilduma
Jarri gurekin harremanetan
Hasiera
>
Berriak
> Enpresaren Albisteak
Berriak
Kolore bilduma
Enpresaren Albisteak
Produktu berriak
Presio Handiko Dekorazio Laminatua
Laminatu trinkoaren gaineko erakusmahaia
Laborategiko kimiko erresistenteen taula
Postforming Presio Handiko Laminatua
Produktu berri guztiak
Enpresaren Albisteak
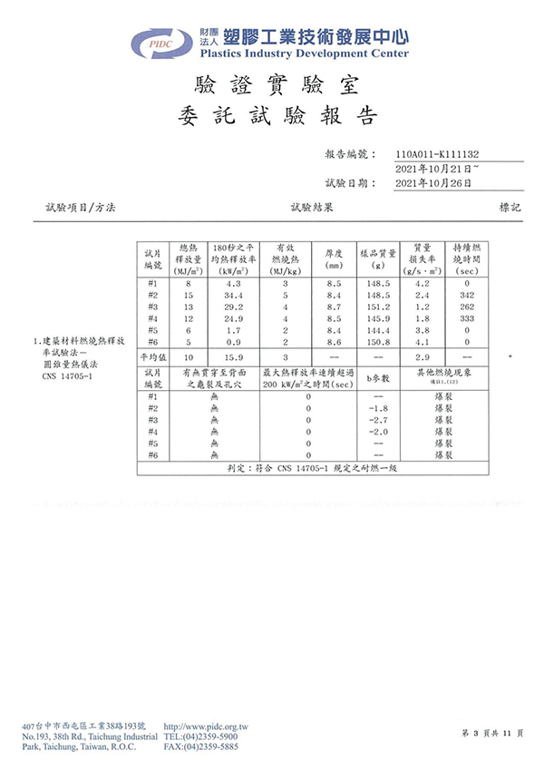
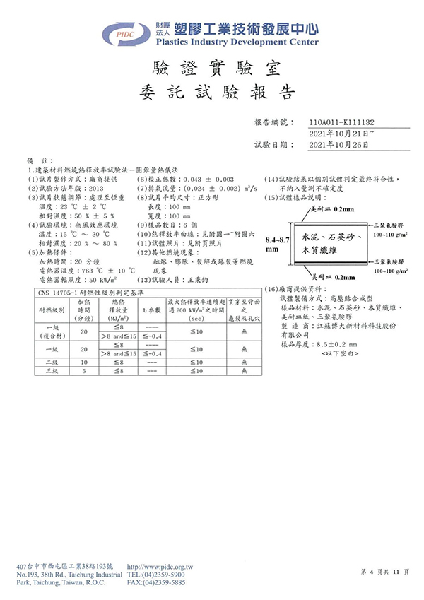
Gure Suaren aurkako taulak arrakastaz gainditu du Taiwanen CNS 14705-1 proba.
2022-01-12
Gure suaren aurkako taulak arrakastaz gainditu zuen CNS 14705-1 proba Taiwanen.
aurreko:
Nola aukeratu sukaldeko taula?
hurrengo:
Marmolezko atzeko horma
+86-519-88503010
ellie@jsbd.com